
KG-AOM系列1550-80M-P2声光调制器
KG-AOM-1550-80M-P2-FA是基于二氧化碲(Tellurium Dioxide)材料的声光调制器具有较低插入损耗和稳定的物理化学特性,因而被广泛的应用于光纤传感、光调Q系统、脉冲整形和强度调制等领域。
应用领域
光纤传感
光调Q系统
脉冲整形
强度调制
性能参数
|
型号Model: KG-AOM-1550-80M-P2-FA |
|||||
|
参数Parameter |
Unit |
Min |
Max |
Typical |
Comments |
|
材料Material |
|
|
|
TeO2 |
|
|
波长Wavelength |
nm |
1520 |
1580 |
1550 |
|
|
承受光功率 Average optical power handling |
W |
|
0.5 |
|
|
|
峰值光功率 Peak (pulse) optical power handling |
kW |
|
0.5 |
|
|
|
声速Ultrasonic Velocity |
m/s |
|
|
4200 |
|
|
插入损耗Insertion Loss |
dB |
|
3 |
2.5 |
|
|
偏振消光比PER |
dB |
18 |
|
|
|
|
开光消光比ER(1st order on / off) |
dB |
50 |
|
|
|
|
回波损耗Return Loss (RF ON) |
dB |
40 |
|
|
|
|
上升/下降沿时间Rise-time / Fall-time |
ns |
|
30 |
|
(10% - 90%) |
|
中心频率Frequency |
MHz |
|
|
80 |
|
|
移频频率Frequency Shift |
MHz |
|
|
+80 |
默认+80,可定做-80 |
|
驱动功率Radio Frequency Power |
W |
|
|
2.5 |
|
|
电压驻波比VSWR |
|
|
|
1.2:1 |
|
|
输入阻抗Input Impedance |
Ω |
|
|
50 |
|
|
射频接头Device Interface |
|
|
|
SMA |
|
|
光纤类型Fibre Type |
|
|
|
PM1550 |
|
|
光纤长度Fibre Length |
m |
|
|
1 |
|
|
光纤接头Fibre Termination |
|
|
|
FC/APC |
|
|
工作温度Working temperature |
℃ |
|
|
-20~60 |
|
|
储存温度Storage Temperature |
℃ |
|
|
-30~70 |
|
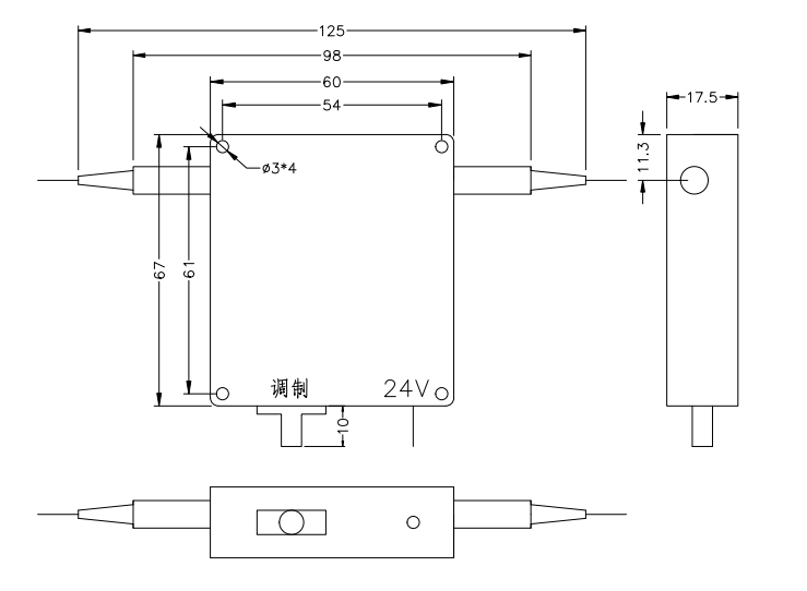
封装尺寸(mm)
1550nm结构尺寸图
订货信息
|
KG |
AOM |
XX |
XXX |
XX |
XX |
|
|
调制器类型: AOM---声光调制器 |
工作波长: 15---1550nm |
中心频率: 80M---80MHz |
光纤类型: P---PMF S---SMF |
接头: FA---FC/APC FP---FC/PC SP---用户指定 |
*如有特殊要求请联系我公司销售人员































