
KG-DRM系列蝶形激光器驱动模块
KG-DRM型蝶形激光器驱动模块针对蝶形半导体器件(蝶形激光器、SOA、单模泵浦激光器)而设计,内部集成激光二极管恒流驱动和TEC控制,同时支持驱动电流和温度调节,具有电流精度高、恒流特性好、温度稳定、抗干扰能力强等优点,非常适合实验室、研究机构等使用。
产品特点
- 提供标准蝶形夹具,便于更换不同型号激光器
- 配备3.5寸高清触控显示屏,界面简介美观
- 电流精度高、恒流特性好
- TEC控制稳定
应用领域
- 14PIN蝶形激光器驱动
- 10PIN激光器驱动
- SOA激光器驱动
性能参数
|
参 数 |
符号 |
最小值 |
典型值 |
最大值 |
单位 |
|
输出电流范围(可调) |
|
0 |
1000 |
2000 |
mA |
|
电流调节分辨率 |
|
1 |
mA |
||
|
最大电流范围 |
|
0 |
1000 |
2000 |
mA |
|
输出电压 |
|
>3(自适应) |
V |
||
|
TEC温度范围(可调) |
|
19 |
25 |
32 |
°C |
|
TEC调节分辨率 |
|
0.1 |
°C |
||
|
TEC制冷电压 |
|
3 |
|
|
V |
|
TEC制冷电流 |
|
-3 |
|
3 |
A |
|
规格 |
|
模块 |
|||
|
外形尺寸L x W x H |
|
130×133×47 mm |
|||
|
工作电压 |
|
DC+12V |
|||
|
最大工作电流 |
|
2A |
|||
|
液晶显示 |
|
3.5寸 |
|||
极限条件
|
参数 |
符号 |
单位 |
最小值 |
典型值 |
最大值 |
|
工作温度 |
Top |
ºC |
-5 |
|
55 |
|
储存温度 |
Tst |
ºC |
-40 |
|
85 |
|
湿度 |
RH |
% |
5 |
|
90 |
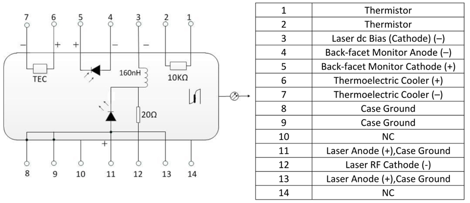
典型激光器管脚类型
N型10PIN管脚定义
N型14PIN管脚定义
S型14PIN管脚定义
结构尺寸(mm)
蝶形激光器驱动模块机械尺寸图
订货信息
|
KG |
DRM |
XX |
X |
XX |
|
|
激光器驱动模块 |
激光器封装类型: 14PIN---14PIN 蝶形 10PIN---10PIN 蝶形 |
激光器管脚定义: P---客户指定 |
输出电流: 0.5---500mA 1.0---1000mA 2.0---2000mA |
*具体指标请联系我公司销售人员

































