
KG-PM-2000系列2000nm高速电光相位调制器
产品描述:
KG-PM-2000系列2000nm铌酸锂(LiNbO3)电光相位调制器采用质子交换工艺光波导,输入/输出光纤与波导直接耦合,具有低插入损耗、平坦响应带宽、低半波电压等特点,主要用于光纤激光器、激光通信、高能激光等领域。
产品特点:
低插入损耗
低半波电压
高偏振消光比
SMA屏蔽输入
应用领域:
2um光纤激光器
PDH激光稳频
激光相干合成
激光通信
性能参数:
|
参数 |
符号 |
最小值 |
典型值 |
最大值 |
单位 |
|
|
光学参数 |
||||||
|
工作波长 |
l |
1950 |
2000 |
2050 |
nm |
|
|
插入损耗 |
IL |
|
3.5 |
4.5 |
dB |
|
|
光回波损耗 |
ORL |
|
|
-45 |
dB |
|
|
光纤 |
输入端 |
|
Panda PM |
|||
|
输出端 |
|
Panda PM |
||||
|
光纤接口 |
|
FC/PC、FC/APC或用户指定 |
||||
|
电学参数 |
||||||
|
工作频率 |
S21 |
DC~200 |
MHz |
|||
|
Vpi @ 50KHz |
Vπ |
|
4.5 |
5.0 |
V |
|
|
匹配阻抗 |
ZRF |
>1M |
W |
|||
|
电接口 |
|
SMA(f) |
||||
极限条件:
|
参数 |
符号 |
单位 |
最小值 |
典型值 |
最大值 |
|
输入光功率 @2000nm |
Pin,Max |
dBm |
|
|
20 |
|
RF端输入电压 |
|
V |
-20 |
|
20 |
|
工作温度 |
Top |
ºC |
0 |
|
70 |
|
储存温度 |
Tst |
ºC |
-40 |
|
85 |
|
湿度 |
RH |
% |
5 |
|
90 |
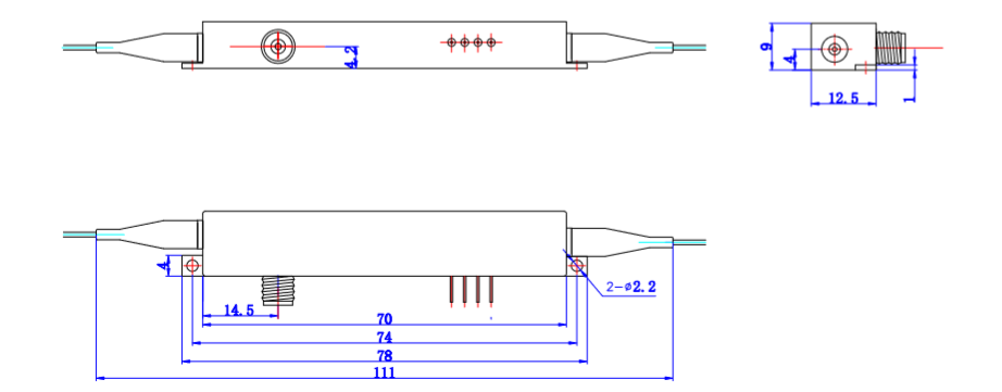
封装尺寸:
外形尺寸图
订货信息:
|
KG |
PM |
W |
B |
F |
C |
|
|
调制器类型: PM---相位调制器 |
工作波长: 2000---2000nm |
工作带宽: 200M---200MHz |
输入输出光纤: PP---PM/PMF |
接头: FA---FC/APC FP---FC/PC SP---用户指定 |


































