精准驱动,科研利器——KG-DRM系列蝶形激光器驱动模块
在探索光子的世界里,您是否也曾为光源激光器输出的微弱波动而困扰?是否在精密实验中,苦苦追求那一份极致的光学稳定性?
我们深知,一个可靠的驱动与控制平台,是点亮理想光束、获取精准数据的关键基石。正是基于这样的洞察,专为蝶形半导体器件而生的 KG-DRM型蝶形激光器驱动模块 应运而生,旨在将复杂的光源控制化繁为简,为您的实验研究保驾护航。
它不仅仅是一个驱动源,更是一位值得信赖的“光路守护者”。模块创新性地将激光二极管高精度恒流驱动与高性能TEC温度控制集成于一体,实现了对蝶形激光器、SOA及单模泵浦激光器的“双核”精准调控。
无论是微安级的电流精细调节,还是毫摄氏度范围的温度稳定,KG-DRM都能轻松胜任。其内在的超高电流精度、卓越的恒流特性、强大的抗干扰能力,共同构筑起一道坚实的屏障,有效抵御外界干扰,确保您的光源激光器始终工作在最佳状态,输出稳定、纯净的光信号。
从此,告别繁琐的模块搭建与参数漂移的烦恼。KG-DRM蝶形激光器驱动模块,以其专业级的可靠性与易用性,正成为实验室、研究机构在光通信、光谱分析、量子计算等前沿领域不可或缺的理想伙伴,助您将更多精力聚焦于创新发现本身,让科研之光,行稳致远。

无论是高校实验室搭建光源系统,还是企业研发团队进行器件老化测试,KG-DRM蝶形激光器驱动模块以其专业级的可靠性与易用性提供稳定可靠的驱动保障,让科研更高效,测试更安心。是实验室、研究机构在光通信、光谱分析、光纤传感等前沿领域不可或缺的理想伙伴。
想了解这款驱动模块如何提升你的实验重复性?或者需要我们帮你快速匹配项目需求吗?请马上联系我们销售人员吧!
KG-DRM系列蝶形激光器驱动模块
产品描述:
KG-DRM型蝶形激光器驱动模块针对蝶形半导体器件(蝶形激光器、SOA、单模泵浦激光器)而设计,内部集成激光二极管恒流驱动和TEC控制,同时支持驱动电流和温度调节,具有电流精度高、恒流特性好、温度稳定、抗干扰能力强等优点,非常适合实验室、研究机构等使用。
产品特点
- 提供标准蝶形夹具,便于更换不同型号激光器
- 配备3.5寸高清触控显示屏,界面简介美观
- 电流精度高、恒流特性好
- TEC控制稳定
应用领域
- 14PIN蝶形激光器驱动
- 10PIN激光器驱动
- SOA激光器驱动
性能参数
|
参 数 |
符号 |
最小值 |
典型值 |
最大值 |
单位 |
|
输出电流范围(可调) |
|
0 |
1000 |
2000 |
mA |
|
电流调节分辨率 |
|
1 |
mA |
||
|
最大电流范围 |
|
0 |
1000 |
2000 |
mA |
|
输出电压 |
|
>3(自适应) |
V |
||
|
TEC温度范围(可调) |
|
19 |
25 |
32 |
°C |
|
TEC调节分辨率 |
|
0.1 |
°C |
||
|
TEC制冷电压 |
|
3 |
|
|
V |
|
TEC制冷电流 |
|
-3 |
|
3 |
A |
|
规格 |
|
模块 |
|||
|
外形尺寸L x W x H |
|
130×133×47 mm |
|||
|
工作电压 |
|
DC+12V |
|||
|
最大工作电流 |
|
2A |
|||
|
液晶显示 |
|
3.5寸 |
|||
极限条件
|
参数 |
符号 |
单位 |
最小值 |
典型值 |
最大值 |
|
工作温度 |
Top |
ºC |
-5 |
|
55 |
|
储存温度 |
Tst |
ºC |
-40 |
|
85 |
|
湿度 |
RH |
% |
5 |
|
90 |
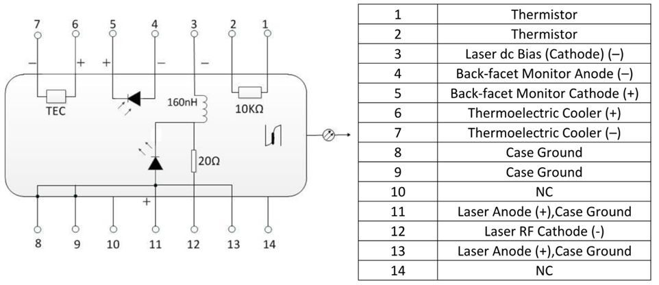
典型激光器管脚类型
N型10PIN管脚定义
N型14PIN管脚定义
S型14PIN管脚定义
结构尺寸(mm)
蝶形激光器驱动模块机械尺寸图
订货信息
|
KG |
DRM |
XX |
X |
XX |
|
|
激光器驱动模块 |
激光器封装类型: 14PIN---14PIN 蝶形 10PIN---10PIN 蝶形 |
激光器管脚定义: P---客户指定 |
输出电流: 0.5---500mA 1.0---1000mA 2.0---2000mA |
*具体指标请联系我公司销售人员






































